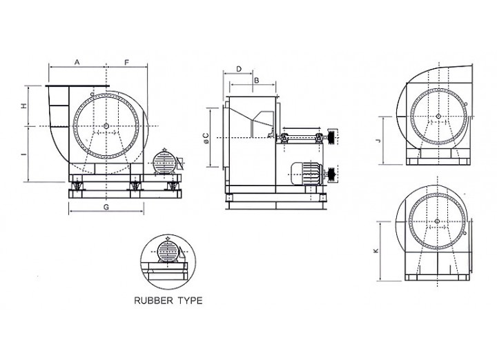
| 형식 |
A |
B |
C |
D |
E |
F |
G |
H |
I |
J |
K |
| LF-200 |
305 |
240 |
Ø350 |
170 |
152.5 |
230 |
450 |
250 |
300 |
250 |
350 |
| LF-250 |
380 |
300 |
Ø400 |
205 |
190 |
290 |
500 |
300 |
350 |
300 |
450 |
| LF-300 |
455 |
360 |
Ø500 |
250 |
227.5 |
340 |
600 |
350 |
450 |
400 |
550 |
| LF-350 |
535 |
420 |
Ø550 |
275 |
267.5 |
400 |
700 |
400 |
500 |
450 |
650 |
| LF-400 |
610 |
480 |
Ø650 |
320 |
305 |
455 |
800 |
450 |
600 |
500 |
700 |
| LF-450 |
685 |
560 |
Ø700 |
350 |
342.5 |
500 |
900 |
500 |
650 |
550 |
800 |
| LF-500 |
760 |
600 |
Ø800 |
385 |
380 |
570 |
1000 |
550 |
750 |
600 |
900 |
| LF-550 |
840 |
660 |
Ø900 |
420 |
420 |
630 |
1100 |
600 |
800 |
700 |
1000 |
| LF-600 |
915 |
750 |
Ø1000 |
480 |
457.5 |
680 |
1200 |
650 |
850 |
750 |
1050 |
| LF-650 |
990 |
790 |
Ø1050 |
500 |
495 |
730 |
1300 |
700 |
950 |
800 |
1150 |
| LF-700 |
1065 |
850 |
Ø1150 |
530 |
532.5 |
760 |
1400 |
750 |
1000 |
850 |
1250 |
| LF-750 |
1140 |
910 |
Ø1200 |
560 |
570 |
840 |
1500 |
800 |
1100 |
950 |
1350 |
| LF-800 |
1220 |
950 |
Ø1300 |
580 |
610 |
900 |
1600 |
900 |
1150 |
1000 |
1400 |
| LF-900 |
1370 |
1060 |
Ø1500 |
675 |
685 |
1010 |
1800 |
1000 |
1300 |
1100 |
1600 |
| LF-1000 |
1525 |
1180 |
Ø1600 |
725 |
762.5 |
1125 |
2000 |
1050 |
1450 |
1250 |
1800 |
| LF-1100 |
1675 |
1320 |
Ø1800 |
795 |
837.5 |
1235 |
2200 |
1150 |
1600 |
1350 |
2000 |
| LF-1200 |
1830 |
1450 |
Ø2000 |
885 |
915 |
1330 |
2300 |
1250 |
1750 |
1500 |
2100 |
| LF-1300 |
1980 |
1560 |
Ø2200 |
930 |
990 |
1460 |
2600 |
1350 |
1850 |
1600 |
2200 |
|