로고

대한풍력공업
로그인 회원가입
  • 생산제품소개
  • 생산제품소개

    생산제품소개

    SirrocoFan DH-SF(SINGLE SUCTION TYPE)


    목록으로

    본문

    Detail view
    DH-SF(SINGLE SUCTION TYPE)
    04-02.gif
     

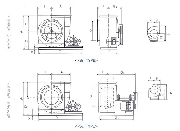
    FAN NO DIMENSION
    A B D E F C1 C2 C3 H1 H2 H3 J K G1 G2 X Y Z1 Z2
    DHSF #2 SS 315 240 320 220 220 305 345 395 620 565 622 227 265 270 530 75 830 320 580
    DHSF #21/2
    SS
    390 305 400 280 252 360 410 470 750 690 753 283 331 302 537 75 960 385 620
    DHSF #3 SS 470 360 480 330 280 415 475 550 885 805 889 339 397 330 660 75 1080 440 770
    DHSF #31/2
    SS
    550 420 560 405 310 475 540 630 1025 945 1026 396 463 360 720 75 1240 500 860
    DHSF #4 SS 626 480 640 450 340 530 610 705 1155 1060 1157 452 529 390 750 75 1340 560 920
    DHSF #41/2 SS 700 540 720 500 370 585 675 780 1285 1175 1288 508 595 440 840 75 1490 620 1020
    DHSF #5 SS 780 600 790 550 400 645 740 860 1425 1290 1426 566 662 480 910 75 1570 680 1110
    DHSF #51/2
    SS
    860 660 870 660 430 700 805 940 1560 1405 1560 621 727 510 980 75 1670 740 1210
    DHSF #6 SS 930 720 950 650 460 785 900 1035 1715 1550 1714 679 974 540 1050 100 1850 820 1330
    DHSF #7 SS 1090 840 1100 750 520 895 1030 1195 1985 1780 1986 791 926 625 1155 100 2090 940 1470
    DHSF #8 SS 1236 960 1260 850 580 1010 1165 1340 2246 2015 2244 904 1058 680 1250 100 2330 1060 1630
    DHSF #9 SS 1390 1080 1410 950 635 1150 1320 1520 2540 2270 2538 1018 1190 740 1430 125 2600 1210 1900
    DHSF #10 SS 1560 1200 1570 1050 700 1260 1455 1690 2820 2505 2821 1131 1323 860 1680 125 2870 1330 2150
    DHSF #11 SS 1700 1320 1730 1140 760 1400 1610 1860 3100 2750 3103 1243 1455 920 1860 150 3130 1470 2410
    DHSF #12 SS 1860 1440 1880 1240 820 1510 1740 2020 3370 2980 3376 1356 1587 970 1910 150 3310 1590 2530
    DHSF #13 SS 2000 1560 2040 1330 880 1620 1875 2155 3625 3205 3625 1470 1720 1020 2030 150 3500 1710 2720
    DHSF #14 SS 2160 1680 2200 1430 940 1740 2005 2315 3900 3435 3898 1583 1852 1080 2170 150 3680 1830 2920
    DHSF #15 SS 2310 1800 2350 1520 1000 1850 2140 2465 4160 3660 4160 1695 1984 1140 2320 150 3860 1950 3130
    DHSF #16 SS 2480 1920 2520 1620 1060 2015 2320 2685 4495 3940 4493 1808 2116 1200 2480 200 4100 2080 3360
    DHSF #18 SS 2790 2160 2840 1810 1180 2240 2585 2995 5030 4395 5029 2034 2381 1260 2620 200 4600 2320 3680



    선정도표
    04-04.gif

     




    [이 게시물은 최고관리자님에 의해 2020-03-22 19:40:49 생산제품소개에서 이동 됨]

    QUICK
    MENU

    회사소개

    기술현황

    생산제품소개

    온라인견적문의

    공지사항

    질문과답변

    홍보동영상

    사진갤러리