로고

대한풍력공업
로그인 회원가입
  • 생산제품소개
  • 생산제품소개

    생산제품소개

    PlateFan DH-PF


    목록으로

    본문

    Detail view

    DH-PF
    06-02.gif
     

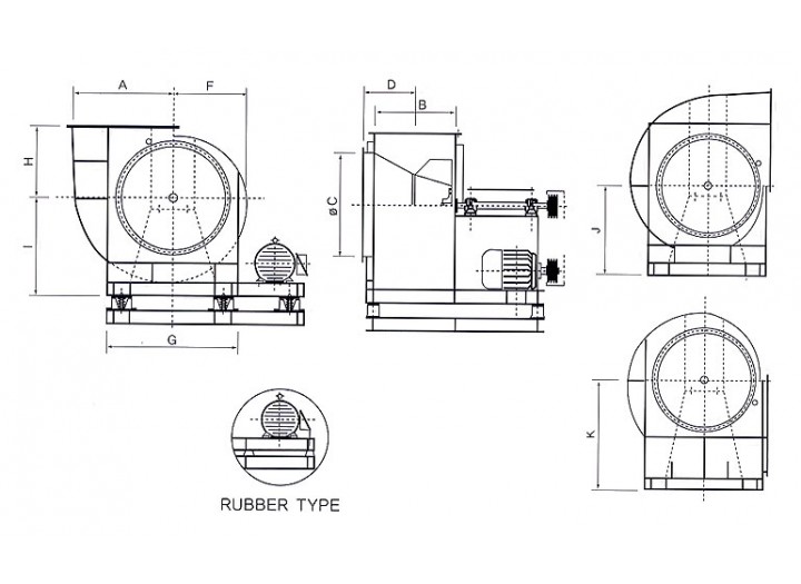
    DIMENSION
    Model No. A×B C D R1 E R2 F R3 G H I J K L M N O P Q S T
    PF-250 250×250 300 305 315 325 338 352 365 380 313 38 703 381 593 38 669 75 115 95 40 305
    PF-300 300×300 350 312 353 365 380 396 411 427 367 50 813 457 635 50 735 75 116 114 50 305
    PF-350 350×350 400 385 397 410 430 450 470 491 424 50 924 533 725 50 825 75 137 133 50 355
    PF-400 400×400 450 441 455 470 490 510 530 551 481 50 1041 610 815 50 915 75 358 158 50 405
    PF-450 450×450 500 500 515 530 553 577 601 625 535 50 1162 685 910 50 1010 100 179 171 50 460
    PF-500 500×500 550 525 557 590 616 642 668 696 569 65 1276 762 965 65 1095 100 200 190 50 460
    PF-550 550×550 600 575 607 640 671 702 732 765 615 65 1382 838 1055 65 1185 100 231 209 50 500
    PF-600 600×600 650 632 663 695 731 767 803 840 670 65 1502 914 1205 65 1335 100 262 228 50 600
    PF-650 650×650 700 658 695 732 771 811 850 890 702 65 1578 991 1245 65 1375 120 273 247 60 600
    PF-700 700×700 750 685 727 770 812 855 897 940 735 65 1655 1067 1385 65 1515 120 294 266 60 700
    PF-800 800×800 850 780 827 875 923 972 1021 1070 830 75 1877 1219 1555 75 1705 150 316 304 60 800
    PF-900 900×900 950 870 925 980 1035 1090 1145 1200 990 75 2085 1372 1735 75 1885 150 347 343 70 900
    PF-1000 1000×1000 1050 950 1035 1120 1185 1250 1325 1400 1060 100 2410 1524 1950 100 2150 150 399 381 70 1000
    PF-1100 1100×1100 1150 1020 1130 1240 1330 1240 1510 1600 1180 100 2700 1676 2150 100 2350 150 451 419 80 1100
    PF-1200 1200×1200 1250 1095 1237 1380 1485 1590 1695 1800 1320 150 3060 1829 2400 150 2700 200 513 457 80 1200
    PF-1300 1300×1300 1350 1170 1291 1413 1534 1656 1778 1900 1390 150 3196 1981 2600 150 2900 200 575 495 80 1300


     






    선정도표
    06-03.gif
     

        75 100 125 150 175 200 225 250 275 300 350
    #2 1/2 풍량 ㎥/min

    회전수 r.p.m

    축동량 kw
    28.0

    1430

    0.62
    30.3

    1650

    0.95
    36.0

    1840

    1.35
    40.0

    2020

    1.75
    43.0

    2200

    2.20
    46.0

    2330

    2.65

    49.0

    2470

    3.20
    52.0

    2600

    3.75
    54.0

    2730

    4.30
    57.0

    2850

    4.90
    63.0

    3150

    6.30
    #3 풍량 ㎥/min

    회전수 r.p.m

    축동량 kw
    39.5

    1250

    0.86
    45.0

    1400

    1.35
    51.0

    1580

    1.85
    55.5

    1720

    2.45
    60.0

    1900

    3.10
    64.0

    2000

    3.70
    68.0

    2100

    4.45
    72.0

    2300

    5.20
    75.0

    2380

    6.00
    78.5

    2450

    6.80
    90.0

    2700

    9.40
    #31/2 풍량 ㎥/min

    회전수 r.p.m

    축동량 kw
    52.0

    1100

    1.15
    60.0

    1250

    1.75
    67.0

    1400

    2.45
    73.0

    1500

    3.20
    79.0

    1650

    4.00
    85.0

    1750

    4.90
    90.0

    1850

    5.90
    94.0

    1950

    6.90
    99.0

    2050

    7.90
    104.0

    2150

    9.00
    111.0

    2350

    11.30
    #4 풍량 ㎥/min

    회전수 r.p.m

    축동량 kw
    65.5

    950

    1.45
    77.0

    1100

    2.25
    85.0

    1250

    3.10
    94.0

    1450

    4.10
    100.0

    1500

    5.15
    108.0

    1550

    6.25
    115.0

    1650

    7.50
    120.0

    1750

    8.75
    125.0

    1850

    10.5
    133.0

    1950

    11.5
    152.0

    2180

    15.5
    #4 1/2 풍량 ㎥/min

    회전수 r.p.m

    축동량 kw
    83.0

    850

    1.80
    95.0

    970

    2.60
    101.0

    1100

    3.85
    115.0

    1200

    5.10
    125.0

    1300

    6.40
    135.0

    1400

    7.80
    140.0

    1460

    9.35
    150.0

    1550

    11.0
    158.0

    1600

    13.0
    165.0

    1700

    14.5
    190.0

    1930

    19.7
    #5 풍량 ㎥/min

    회전수 r.p.m

    축동량 kw
    100.0

    750

    2.20
    110.0

    850

    3.40
    130.0

    950

    4.70
    140.0

    1050

    6.20
    150.0

    1250

    6.40
    161.0

    1300

    9.50
    175.0

    1320

    11.5
    185.0

    1380

    13.5
    190.0

    1450

    15.5
    200.0

    1500

    17.5
    220.0

    1690

    22.4
    #5 1/2 풍량 ㎥/min

    회전수 r.p.m

    축동량 kw
    120.0

    690

    2.65
    140.0

    800

    4.05
    150.0

    900

    5.70
    170.0

    970

    7.45
    185.0

    1050

    9.35
    195.0

    1150

    11.5
    210.0

    1250

    14.0
    220.0

    1350

    16.0
    230.0

    1400

    18.5
    240.0

    1450

    21.0
    280.0

    1610

    29.0
    #6 풍량 ㎥/min

    회전수 r.p.m

    축동량 kw
    140.0

    610

    3.10
    165.0

    700

    4.80
    185.0

    800

    6.70
    200.0

    870

    8.75
    215.0

    950

    11.0
    230.0

    1000

    14.0
    245.0

    1080

    16.0
    260.0

    1150

    19.0
    270.0

    1200

    22.0
    285.0

    1280

    25.0
    325.0

    1410

    32.9
    #7 풍량 ㎥/min

    회전수 r.p.m

    축동량 kw
    190.0

    550

    4.20
    220.0

    630

    6.40
    245.0

    700

    8.90
    270.0

    750

    12.0
    290.0

    820

    15.0
    315.0

    880

    18.5
    330.0

    930

    22.0
    350.0

    1000

    25.5
    365.0

    1150

    29.5
    385.0

    1200

    33.5
    420.0

    1260

    41.5
    #8 풍량 ㎥/min

    회전수 r.p.m

    축동량 kw
    250.0

    480

    5.40
    285.0

    550

    8.90
    310.0

    620

    11.5
    350.0

    660

    15.5
    380.0

    730

    19.5
    405.0

    800

    24.0
    430.0

    850

    28.5
    445.0

    900

    33.0
    480.0

    950

    40.0
    500.0

    1000

    43.5
    552.0

    1110

    56.5
    #9 풍량 ㎥/min

    회전수 r.p.m

    축동량 kw
    310.0

    430

    6.75
    360.0

    500

    10.7
    400.0

    550

    15.0
    440.0

    600

    19.5
    480.0

    650

    24.0
    510.0

    700

    29.5
    540.0

    750

    35.5
    570.0

    800

    41.5
    600.0

    850

    47.5
    625.0

    900

    54.0
    700.0

    980

    79.5

    QUICK
    MENU

    회사소개

    기술현황

    생산제품소개

    온라인견적문의

    공지사항

    질문과답변

    홍보동영상

    사진갤러리